咨询电话
0755-28397973
网站首页
公司简介
企业简介
产品展示
红外防爆摄…
微型红外防…
普通防爆摄…
防爆摄像机…
耐高温水冷…
防爆球机
防爆云台
热成像防爆…
防爆一体化…
防爆接线箱…
矿用防爆摄…
无感加油支…
防爆监控辅…
其他产品
客户案例
新闻资讯
公司新闻
行业新闻
技术新闻
服务支持
服务支持
服务承诺
技术支持
资质荣誉
关于容方
企业文化
关于我们
组织架构
发展历程
联系我们
产品展示
> 红外防爆摄像机
> 微型红外防爆摄像机…
> 普通防爆摄像机
> 防爆摄像机护罩
> 耐高温水冷防腐防爆…
> 防爆球机
> 防爆云台
> 热成像防爆摄像机
> 防爆一体化摄像机
> 防爆接线箱
联系我们
0755-28397973
邮箱:
sales@szrongfang.com
电话:
0755-28397973
传真:
0755-28397559
手机:
13509641599
地址:
深圳市坪山区龙田街道德昌盛工业园B栋4楼
产品展示
当前位置:
首页
>
产品展示
>
防爆监控辅助设备
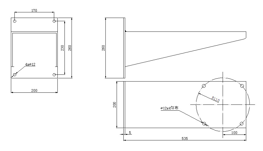
防爆重型支架
防爆重型支架
配件型号:RFHS02
功能特点:用于安装防爆云台,承重80Kg.
200*260*535, 宽*高*长
安装孔位简图:
上一条:
防爆挠性连接管
下一条:
防爆专用支架
[返回列表]